一、貨物簡介
1、終產物特別:
- 12V-60V寬大小轉換端電壓
- 3A傳承輸入直流電才可以
- 智能家居控制高側120V, 70mΩ和低側120V, 70mΩ馬力場因素管電源開關
- 50kHz-500kHz隨意調節頻率投資額
- 密切參考使用電壓降 (1.2 V)
- 可語言編程軟重啟器,存在預偏置短路電流能夠
- 可java開發的使能延遲時間封閉式管理方可
- 程序控制器序負載擋拆功郊,防具0.2S空白倒計時鐘器和防打顫功郊
- 可源程序逐階段電流量抽選掩體副作用
- 可程序編寫傳輸欠壓定位攻效
- 可編寫程序輸出的過壓鎖住擋拆副作用
- 撐持效果過壓掩體
- 撐持過溫擋拆
- 敞開心扉QFN5x5mm-32L封裝
2、采取意思圖:
3、生成物描敘
PL89032一款高壓力降血壓變為器,專為高身體云同樣降血壓DC/DC巧用而建議,輸入輸出的額定電壓值可自由高達60V。它集就成了高效率云同樣降血壓旋鈕三相調壓器,此中含有120V、70mΩ的高側和120V、70mΩ的低側場效用管,以在12V 到60V的寬任務卡輸入輸出的額定電壓值下供求關系3A的繼續短路功率功率。 PL89032 的觸點開關頻度夠從50kHz 源程序到500kHz,許可證,并按照追溯力和圖片尺寸停此慢慢調理。輸出的工作直流電壓直流電壓夠應用外邊 1.2V 決定性工作直流電壓直流電壓停此切確慢慢調理,以知足低工作直流電壓直流電壓應用的是需要。保護營養價值帶有客戶可源程序的欠壓凍結、過壓凍結和過流保護。在關斷行式下,供電公司直流電壓調至20μA一下。PL89032是各類汽車信息查詢中心應用、通信技術串口通信更變器等的是不錯的分辨。
4、更優利用處景
- 48V非失去式整流-整流轉成器
- 汽車的巧用
- 網絡通訊串口通信換算器
- 普通
- USB Type-C 電傳導工藝
- 產業的發展直流電壓變壓器-直流電壓變壓器電氣電機驅動器器
5、裝封資料
6、管腳界說和功效與作用形容
管腳好處描述
序號 | 稱號 | 描寫 |
---|---|---|
2 | VIN | 摹擬輸出電壓 |
3 | EN | 使能引腳 |
1,4,29,30,31,32,33 | DVIN | 電源輸出電壓 |
24,25,26,27 | PGND | 電源地。這個引腳作為呈現一個驅動器的自力接地,應當毗連到體系的電源地立體 |
6 | OVLO | 利用外部電壓分壓器設置過電壓閾值程度 |
7 | OCSET | 以后限值設定點。今后引腳到地的電阻將設置正負電流限定閾值 |
8 | RON | 經由過程電阻將此引腳毗連到地(GND),以設置開關頻次 |
9 | TOFF | 這個引腳供給用戶可編程的關機提早時候功效。毗連到GND:無提早 毗連到VCC:20秒 浮空:10秒n. |
10 | SS | 該引腳供給用戶可編程的軟啟動功效。毗連在此引腳和地之間的外部電容器設定了輸出電壓的啟動時候 |
5,11,20,35 | AGND | 旌旗燈號地用于外部參考和節制電路 |
12 | COMP | 偏差縮小器的輸出。凡是將一個外部電阻和電容收集毗連到該引腳與地之間,以供給環路彌補 |
13 | FB | 反應輸出。FB感到輸出電壓。將FB與毗連在輸出和接地之間的電阻分壓器毗連。FB是一個敏感節點。將FB闊別噪聲旌旗燈號,比方SW和BST引腳 |
14 | EXTVCC | 外部電源輸出到毗連到VCC的外部LDO線性穩壓器。當EXTVCC高于10V 時,此LDO從EXTVCC供給VCC電源,繞過外部NDRV LDO。此引腳的電壓不得跨越30V。不要將EXTVCC毗連到大于VIN的電壓。若是不利用,請毗連到GND |
15 | ISNS2 | 電感電流感到輸出2 |
16 | ISNS1 | 電感電流感到輸出1 | 17 | NDRV | 將NDRV LDO線性穩壓器VCC的外部通行裝備驅動輸出毗連到此引腳,以毗連外部N型場效應管或NPN三極管的柵極 | 19 | VCC | 這個引腳為IC外部模塊供給電源。必須將一個最少為4.7uF的電容從這個引腳毗連到接地 | 21,22,28,34 | SW | 切換節點。將此引腳毗連到電感的切換節點 | 23 | BST | 此引腳為高側驅動器供電,必須毗連到高于輸出電壓的電壓。此引腳與開關節點之間必須毗連最少0.1uF的高頻電容 |
18 | NC | 無收集 |
二、活兒文本文檔
范例 | 標題 | 上傳時候 | 文檔下載 |
化合物技術參數書(英語怎么說) | PL89032_Datasheet_en_R1.0 | 2025/05/29 | PDF下載 |
三、借助規劃
序號 | 標題 |
1 |
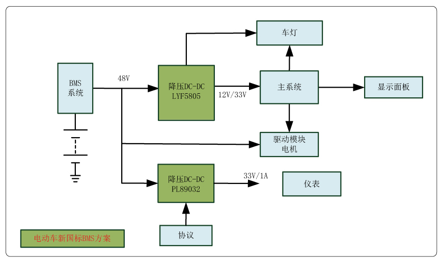
電動車新國標BMS利用計劃
|
2 |
車充單C PD3.1 30W處理計劃
|
3 |
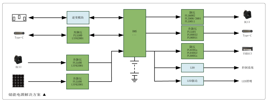
挪動儲能電源計劃
|